WOLF: Wohnungsstationen und Wärmepumpen kombinieren - Was ist zu beachten?
Status quo: Bei der zentralen Warmwasserbereitung im Mehrfamilienhaus müssen im Gegensatz zu Heizkreisläufen mit Fußbodenheizung hohe Vorlauftemperaturen erreicht werden. Grund dafür ist die
Hygiene, insbesondere die Bekämpfung von Legionellen gemäß DIN 1988-200. So muss ein zentraler Warmwasserspeicher permanent auf Temperaturen von mindestens 60 °C gehalten werden. Für die Warmwasser-Zirkulation muss außerdem sichergestellt sein, dass am Rücklauf mindestens 55 °C erreicht werden. Weiterhin ist gemäß DIN 1988-200 vorgeschrieben, dass alle drei Jahre in den kritischen Wohnungen sowie im Heizraum die Trinkwasserqualität hinsichtlich Legionellen geprüft, also beprobt und analysiert wird (Faustformel: 1 K höhere Vorlauftemperatur senkt den Wirkungsgrad einer Wärmepumpe um 2,5 %).
Für die aus hygienischer Sicht deutlich risikoärmere dezentrale Bereitung von Warmwasser gibt es dagegen nur wenige Vorgaben. Der Nutzer hat gemäß VDI 6003 Anspruch auf 50 °C Zapftemperatur an der Küchenspüle. Enthält das Warmwasserleitungssystem in einer Wohnung – nach der Wohnungsstation – weniger als 3 Liter Wasser, entfällt die Pflicht der Legionellenprüfung.
Wird für die Warmwasserversorgung eines Mehrfamilienhauses die Wärmepumpe als Primärwärmeerzeuger in Betracht gezogen, können Wohnungsstationen der ideale Partner sein. Hier stehen drei Installations-Varianten zur Verfügung:
Zwei-Leiter-System
Die einfachste Form der Kombination einer Wärmepumpe mit Wohnungsstationen ist ein Zwei-Leiter-System. Im Vergleich mit einer zentralen Lösung hat sie niedrige Investitionskosten. Hier gibt es weder eine zentrale Warmwasser- noch eine Zirkulationsleitung und auch keinen Warmwasserspeicher, sondern nur einen Vor- und einen Rücklauf zum Pufferspeicher.
Nachteilig ist jedoch, dass dieses recht einfache System während des ganzen Jahres mit hohen Vorlauf-Temperaturen betrieben werden muss (50 + X °C, wobei X die Temperaturüberhöhung auf der Primärseite des Wärmetauschers ist, um 50 °C Warmwassertemperatur an der Küchenspüle zu erreichen).
Bedingt durch diese hohen Vorlauftemperaturen werden bei der Wärmepumpe schlechtere Wirkungsgrade erreicht, was bei sehr einfach aufgebauten Wohnungsstationen zu höheren Energieverbräuchen und entsprechenden Betriebskosten führt und damit für Förderungen problematisch sein könnte. Mit der Auswahl großer Wärmetauscherleistungen kann dies verbessert werden, da die notwendige Temperaturüberhöhung an der Station auf bis zu 2 Kelvin reduziert wird.
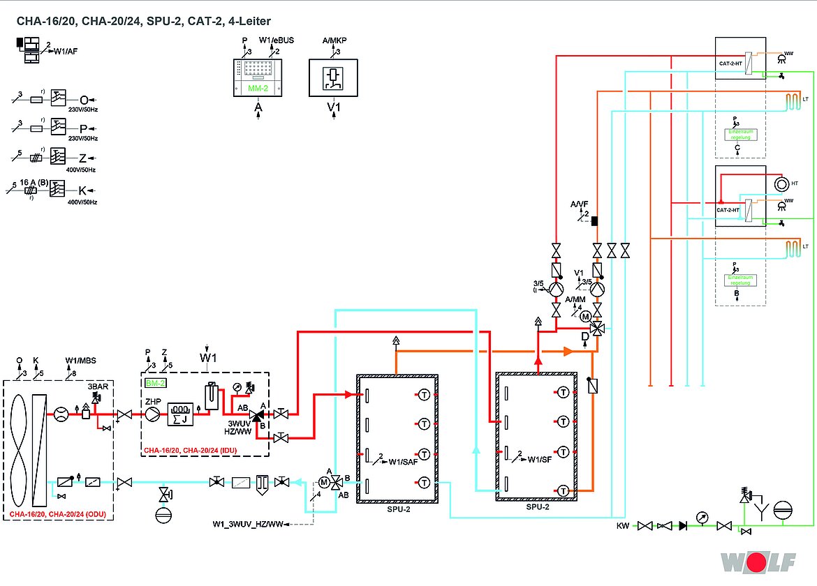
Beim Drei-/Vier-Leiter-System gibt es einen Vorlauf für die Heizung und einen zweiten für die Warmwasserbereitung über die Wärmetauscher. Da die beiden Kreisläufe unterschiedliche Systemtemperatur-Niveaus haben, sind separate Pufferspeicher nötig.
Die Bereitstellung von Wärme für Heizung und Warmwasser ist entkoppelt. Damit können bei dieser Lösung Wärmepumpen für die (Fußboden-)Heizung im hocheffizienten Bereich arbeiten. Die Betriebskosten fallen damit deutlich niedriger aus als bei dem oben beschriebenen einfachen Zwei-Leiter-System. Lediglich für die Warmwasserbereitung ist ein höheres Temperaturniveau nötig (auch hier 50 + X °C). Sie weist im Neubau mittlerweile einen erheblichen Anteil am Gesamtwärmebedarf des Gebäudes auf.
Das Drei-/Vier-Leiter-System hat jedoch den Nachteil, dass die Installation aufwändiger ist. Neben den Pufferspeichern mit unterschiedlichen Temperaturniveaus sind beim Vier-Leiter-System etwa doppelt so viele Rohrleitungen, Dämmung, Armaturen, Wärmemengenzähler etc. erforderlich als beim Zwei-Leiter-System. Außerdem ist der Platzbedarf im Heizraum und im Versorgungsschacht höher. Das Drei-Leiter-System ist ein Zwischenweg: Hier wird zumindest der Rücklauf dezentral zusammengeführt. Das spart Rohrleitungen, kann allerdings zu weniger Effizienz führen, da nur ein Rücklauftemperaturniveau anliegt.
Hinweis: Bei Drei-/Vier-Leiter-Systemen empfiehlt sich der zentrale Einsatz eines bivalenten Vier-Wege-Ventils (nicht zu verwechseln mit Vier-Wege-Mischern). Dadurch wird der Parallelbetrieb für Heizung und Warmwasser selbst bei längeren Zapfphasen sichergestellt. Solange die Temperatur im Niedertemperaturpuffer zur Heizung ausreichend ist, arbeitet das Ventil wie ein Drei-Wege-Mischer. Fällt die Temperatur unter die benötigte Vorlauftemperatur, kann über den zusätzlichen Eingang das erforderliche Medium aus dem Hochtemperatur-Puffer beigemischt werden, um die Vorlauftemperatur auszuregeln.
Zwei-Leiter-System mit Durchlauferhitzer
Wohnungsstationen mit einem nachgeschalteten elektrischen Durchlauferhitzer ermöglichen es, die Vorteile des Zwei-Leiter-Systems (einfache Installation) mit den Vorteilen des Drei-/Vier-Leiter-Systems (hohe Wärmepumpen-Effizienz) zu kombinieren. In diesem Fall stellt die Wärmepumpe eine niedrige Vorlauftemperatur zur Verfügung, die für die Beheizung des Gebäudes ausreichend ist.
Der Durchlauferhitzer in der Wohnungsstation hat die Aufgabe, die Temperatur des vorerwärmten Warmwassers bedarfsgerecht auf die gewünschte Temperatur anzuheben. Da das dT zwischen Vorlauftemperatur und gewünschter Warmwassertemperatur in der Küche (50 °C) relativ klein ist, sind elektrische Leistungsaufnahme und Stromverbrauch des Durchlauferhitzers vergleichsweise niedrig.
Der Nutzer kann selbst entscheiden, ob ihm die von der Wärmepumpe bereitgestellte Warmwassertemperatur ausreicht, oder ob elektrisch nachgewärmt werden soll. Eine „wärmepumpengerechte“, großzügige Auslegung des Wärmetauschers in der Wohnungsstation trägt hier entscheidend zum hohen Wirkungsgrad bei.
Zu berücksichtigen sind die elektrischen Anschlussleistungen der Durchlauferhitzer (typischerweise 11 - 13,5 kW) bereits bei der Auslegung des Hausanschlusses. Die Investition für das Zwei-Leiter-System mit Durchlauferhitzer ist dennoch nur geringfügig höher als die „klassische“ Zwei-Leiter-Lösung.
Regelung und Komfort
Elektronisch geregelte Wohnungsstationen sorgen im Sinne der VDI 6003 für einen sehr hohen Warmwasserkomfort. Da sie sehr schnell auf Regelabweichungen reagieren, wird eine sehr konstante und komfortable Warmwasserauslauftemperatur sichergestellt. Durch die Kombination mit Durchlauferhitzern wird der Komfort noch weiter erhöht. Eine heizungsseitige Differenzdruckregelung vereinfacht und optimiert das System zusätzlich.
Planung von Wohnungsstationen
Sinnvoll ist, die Auslegung über die in der Anlage benötigten Wärmemengen durchzuführen. Schließlich muss die erforderliche Warmwasserleistung in der Bezugsperiode in Form von gespeichertem Puffervolumen oder als Heizleistung zur Verfügung stehen.
Bei der Auslegung sind mehrere, sich gegenseitig beeinflussende Faktoren zu beachten:
- Wärmebedarf [kWh]
- Warmwasser-Spitzenbedarf [kWh] in Verbindung mit Gleichzeitigkeitsfaktoren
- Verbrauchsverhalten
- zu erwartende Leitungsverluste
- zur Verfügung stehende Heizleistung zum Nachheizen des Pufferspeichers
- Vorlauftemperatur des Primärkreises
- Einhaltung der DIN 1988-200 3.6 für die hygienische Trinkwasser-Installation
- Ortsübliche Wasserqualität
Zur Auslegung der Warmwasserbereitung mit Wärmepumpen wird die DIN EN 15450 Anhang E angewendet. Der maximale tägliche Warmwasserbedarf und das entsprechende Verbrauchsverhalten werden hier über Zapfprofile für drei unterschiedliche Nutzergruppen dargestellt, die jeweils individuell erweitert werden können.
Wohnungsstationen mit integriertem Differenzdruckregler passen sich automatisch an die Gegebenheiten vor Ort an und sorgen dafür, dass es an keiner Station zu einer Über- oder Unterversorgung kommt. Dafür muss gewährleistet sein, dass die bauseitige Hydraulik in der Lage ist, den notwendigen Versorgungsdruck und den geplanten Volumenstrom zur Verfügung zu stellen. Dies erfordert sowohl eine fachgerechte Rohrnetzplanung als auch eine sorgfältige Berechnung und Auslegung der Pumpen – was daher im ersten Schritt erfolgen muss.
Innerhalb der Wohnung sorgt ein Differenzdruckregler in der Wohnungsstation für konstante Versorgungsbedingungen der Primärseite. Die einzelnen Heizflächen müssen nur noch untereinander hydraulisch abgeglichen werden.
Zusammenfassung
Moderne Wohnungsstationen gewährleisten im Mehrfamilienhaus nicht nur einen sehr hohen Wasserkomfort. Sie sind auch eine zukunftssichere Systemlösung – sofern sie sich für Wärmepumpen und Hybridsysteme eignen. Sowohl für Investoren als auch Vermieter, Benutzer, Planer und Installateure bringen sie eine Vielzahl von Vorteilen mit sich und sind ein adäquater Weg zur Erfüllung gesetzlicher Mindestanforderungen im Sinne der Energiewende.
Bei der Entscheidung für die Kombination von Wärmepumpe und Wohnungsstation müssen Investoren zwischen Investitions- und Betriebskosten abwägen und gleichzeitig Förderprogramme im Auge behalten.
Wohnungsstationen im Zwei-Leiter-System mit nachgeschaltetem Durchlauferhitzer bieten oft nicht nur das optimale Verhältnis aus Investitions- und Betriebskosten, sondern auch eine bestmögliche Systemeffizienz.
Einzelgerät oder Wärmepumpenkaskade?
Gerade im Mehrfamilienhaus kann es sinnvoll sein, mit einer Wärmepumpenkaskade zu arbeiten statt mit einem Gerät mit entsprechend hoher Leistung. Durch ungünstige Kombinationen der Phasen von Warmwasserbereitung und Abtauzyklen kann es bei einem Einzelgerät dazu kommen, dass über einen längeren Zeitraum (+30 min) keine Wärme für die Heizkreisläufe zur Verfügung steht. Ein Parallelbetrieb (Heizung und Warmwasserbereitung gleichzeitig) ist nicht zu empfehlen, da der Wirkungsgrad durch das hohe Temperaturniveau während der Warmwasserbereitung niedriger ist.
Die Wohnungsstation CAT-2 von WOLF
Die Wohnungsstation CAT-2 von WOLF – made in Germany – ist für den Betrieb mit Wärmepumpe oder Hybrid optimiert und liefert hygienisch, dauerhaft und schnell verfügbares Warmwasser. Die elektronische Regelung sorgt dabei für maximalen Komfort für den Nutzer und einen besonders niedrigen Druckverlust für die Installation. Die Varianten für Heizkörper (CAT-2 HT) und für gemischte Heizkreise (CAT-2 LT) sind in den Leistungsgrößen 37, 55 und 63 kW erhältlich. In Abhängigkeit von der Wasserqualität werden sie wunschgemäß mit einem kupfer- oder edelstahlgelötetem Plattenwärmetauscher („ULTRA“) ausgeführt.
Ein standardmäßiger Differenzdruckregler, die serienmäßige Warmhaltung der Hauptleitung für dauerhaft schnell verfügbares Warmwasser („Sommer-Bypass“) sowie zahlreiche weitere Komponenten machen die Anlage sowohl für die Nutzer als auch für die Betreiber und Installateure zum neuen Standard.
Die komplett vormontierte Grundstation wird im Baukastensystem zusammengestellt und vor Ort mit dem individuellen Zubehör in einen dreiteiligen Schrank eingebaut. Dieser ist nur 110 mm tief und sowohl für die Unterputz- als auch für die Aufputz-Montage geeignet.
Die Installation ist schnell und einfach: Da die Heizkreisverteiler bereits vormontiert sind, können die Station und der Verteiler auf der Baustelle einfach in den Schrank eingehängt werden. Anschließend wird das restliche Zubehör eingesteckt, zum Beispiel ein E-Modul (Durchlauferhitzer-Set), ein Drei- bzw. Vier-Leiter-System, ein Zirkulations-Set oder ein Anschluss-Set für einen Badheizkörper. Zum Schluss wird die Dämmhaube eingesetzt und die Tür eingehängt.
Die Bedienung der wartungsfreundlichen Wohnungsstationen erfolgt über ein serienmäßiges Touchdisplay, das in Zusammenarbeit mit Fachhandwerkern entwickelt wurde. Die Station ist voreingestellt und kann einfach am Display anwendungsbezogen angepasst werden.
Je nach verwendetem Zubehör kann die Station individuell entweder per Festwert, per Raumeinfluss oder witterungsgeführt geregelt werden. Ein GEG-konformes Standard-Wochenzeitprogramm ist ebenfalls serienmäßig enthalten. Darüber hinaus bietet die CAT-2 ein Estrichaufheizprogramm. Durch die intuitive Menüführung können Fehler einfach diagnostiziert und behoben werden.
Einfach planen mit dem CAT-2 Konfigurator
Um eine bedarfsgerechte Auslegung eines Primärsystems inklusive passender Wohnungsstation zu unterstützen, hat WOLF einen eigenen Konfigurator entwickelt.
Das Ergebnis der Systemkonfiguration mit dem CAT-2 Konfigurator ist eine komplette Stückliste mit Kurzbeschreibung für die Wohnungsstation. Zusätzlich kann anhand von wenigen Zusatzangaben die Wärmeerzeugerleistung und Pufferspeichergröße ermittelt und eine Empfehlung dazu abgegeben werden. Entsprechend der lokalen Trinkwasserqualität wird auch ein passender Wärmetauscher empfohlen, zum Beispiel bei Bedarf eine edelstahlgelötete Variante.
Der Konfigurator speichert die Daten eines Projektes, das jederzeit verwaltet und geändert werden kann. Der persönliche Kontakt zu WOLF bleibt: Die Projekt-Informationen können an einen WOLF Experten weitergeleitet werden, der weiter beim Projekt unterstützen kann.
Neben den Wärmepumpen werden mit dem CAT-2 Konfigurator auch konventionelle Wärmeerzeuger nach DIN 4708 Teil 2 berücksichtigt.
Autor:
Stefan Schrögel
Produktmanager, WOLF Mainburg
Mehr Informationen zu WOLF Wohnungsstationen unter: www.wolf.eu/profi/cat-2









