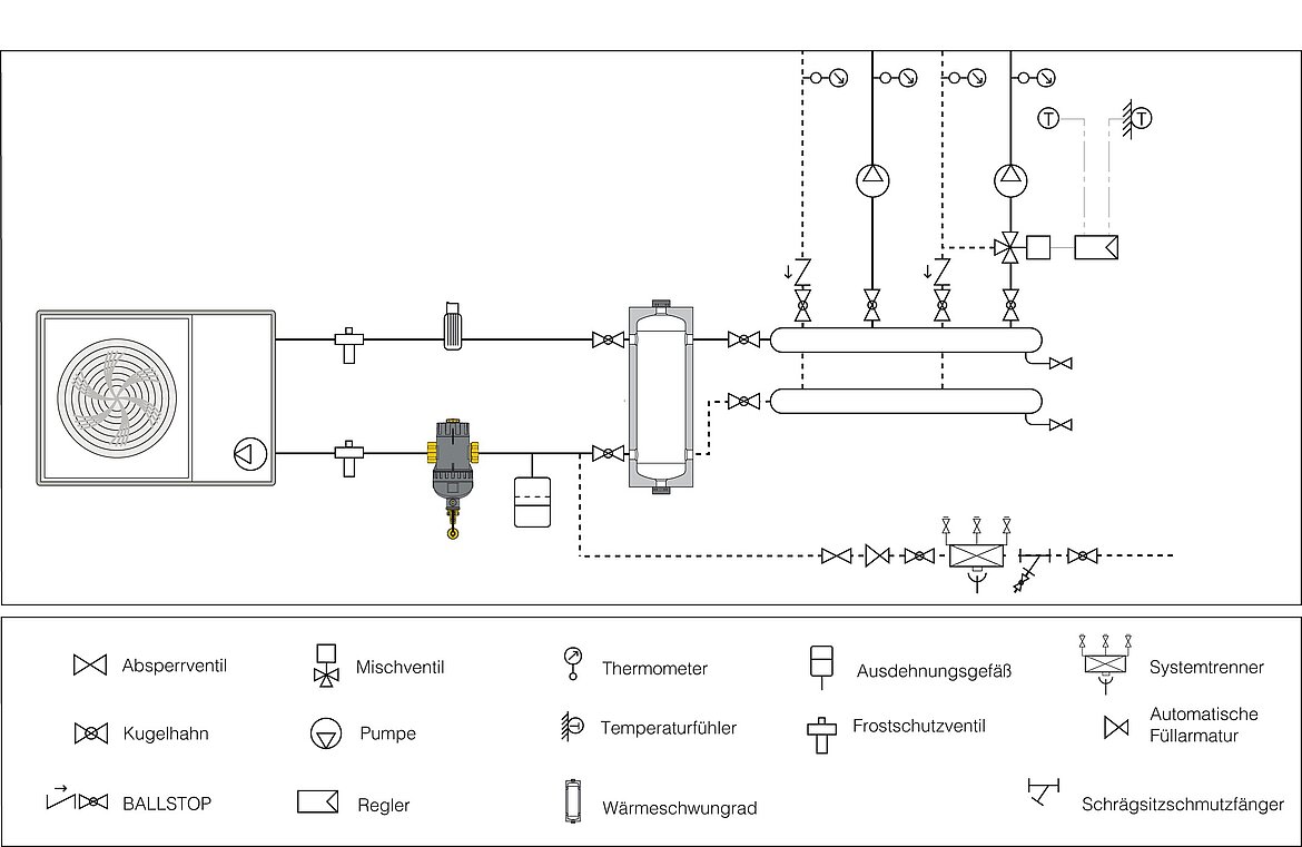
Schmutzfänger/Schlammabscheider Caleffi XF
Die verschiedenen Komponenten und Bauteile einer Wärmepumpenanlage sind der verschleißenden Wirkung der im Wärmeträgermedium enthaltenen Verunreinigungen ausgesetzt. Wenn sie nicht abgeschieden werden, können sie den Betrieb des Wärmepumpensystems, schon bei der Inbetriebnahme, beeinträchtigen. Dieses Problem darf nicht unterschätzt werden, denn die Hersteller von Wärmeerzeugern können Garantieleistungen verweigern, sollte ihr Produkt nicht schon von Anfang an durch eine Reinigungslösung geschützt sein. Das ist aber nur eine Funktion des neuen Schmutzfängers/Schlammabscheiders Caleffi XF, der speziell für hohe Volumenströme ausgelegt ist.
Die Reinigungswirkung der Armatur basiert auf drei Stufen: doppelte Filterwirkung dank zwei radial angeordneter Trenngewebe, ein zentraler Magnet und ein Schmutzfänger im Auslass.
1. Stufe
Dabei handelt es sich um ein internes Gitterelement, das aus einer Reihe von radial angeordneten Netzflächen besteht und die Abscheidung von Partikeln bis zu 5 μm ermöglicht.
2. Stufe
Ein zentral angeordneter Magnet sorgt für die Ansammlung sowie eine leistungsstarke Abscheidung von eisenhaltigen Verunreinigungen. Diese werden durch das starke Magnetfeld, das durch die in einer Sonde eingesetzten Magnete erzeugt wird, im zentralen Teil des Gehäuses gehalten.
3. Stufe
Beim Austritt aus der Filterkammer durchströmt das Wasser ein Gewebe des zweiten Schmutzfängers, das die restlichen Verunreinigungen zurückhält. Die Partikel werden mechanisch nach ihrer Größe sortiert. Die große Oberfläche des Gewebes mit einer Maschenweite von 160 μm verhindert die Gefahr einer Verstopfung.
Reinigung des Schmutzfängergewebes
Zur Reinigung des Schmutzfängers/Schlammabscheider Caleffi XF (bei gestoppter Umwälzpumpe) ist es nicht erforderlich, das Bauteil zu demontieren, da ein interner Mechanismus mit Bürsten zur Reinigung des Filtergewebes vorhanden ist. Die Wartung erfolgt, ohne die Anlage abschalten zu müssen. Durch einen Drehknopf werden die Reinigungsbürsten in Bewegung gesetzt.
In waagrechten oder senkrechten Rohrleitungen installierbar
Der Schmutzfänger/Schlammabscheider Caleffi XF ist schwenkbar, um die Installation sowohl an vertikalen als auch an horizontalen Rohren zu ermöglichen.
Bei beiden Konfigurationen bleiben die funktionellen und fluiddynamischen Eigenschaften unverändert.
Entlüftung
Die sich im oberen Teil des Gehäuses angesammelte Luft kann durch Abschrauben des oberen Verschlusses mit einem Schraubenzieher oder einem Flügelschlüssel abgelassen werden.
Ein kurzes Video finden Sie hier.
Die Armatur gibt es in verschiedenen Versionen
CALEFFI XF mit Gewindeanschlüssen Dimensionen DN 20 (3/4” IG), DN 25 (1”IG) und DN 32 (1 1/4”IG)
CALEFFI XF mit Klemmringanschlüssen für Kupferrohr Dimensionen DN 20 (Ø 22 mm) und DN 25 (Ø 28 mm)
CALEFFI XF mit Gewindeanschlüssen und Bypass Dimensionen DN 40 (1 1/2” IG) und DN 50 (2” IG)
Technische Daten aller Versionen: Betriebsmedien Wasser und Glykollösungen (bis max. Glykolgehalt 30 %). Maximaler Betriebsdruck 3 bar. Betriebstemperaturbereich 0–90 °C.
Hauptkomponenten des Caleffi XF











