DIRTMAG CLEAN für große Heizungsanlagen von Caleffi
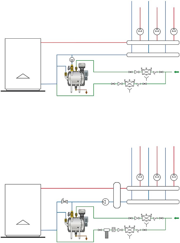
Der DIRTMAG CLEAN ist ein vollautomatischer, selbstreinigender Schmutz- und Schlammabscheider mit magnetischer Wirkung für große Heizungsanlagen. Er scheidet u.a. im Heizungswasser vorkommende Eisenoxidpartikel bis 2 μm ab und wird elektrisch (230 V) betrieben. Er ist auch für MODBUS-RTU-Management geeignet.
Der "CLEAN"ist für den Einsatz in großen privaten, industriellen und gewerblichen Heizungssystemen konzipiert und sorgt für ein sauberes Anlagenwasser durch Filtration und Reinigung. Wichtigstes Merkmal: Im Vergleich zu herkömmlichen großen Schlammabscheidern mit Kartuschenreinigung, deren Kartuschen regelmäßig entnommen und gereinigt werden müssen, arbeitet der Abscheider vollautomatisch. Dafür vereint der "CLEAN" drei Funktionen: Filtration, Entleerung und Reinigung. Die vollständige Steuerung und Verwaltung aller Funktionen übernimmt ein elektronischer Controller, der lokal oder mit MODBUS-RTU-Übertragung bedient werden kann.
Für die Filtration des Schmutzwassers verfügt der "Heizungswasser-Selbstreiniger" über ein ca. 1 m2 großes, mehrreihiges Filter-Nylonnetz von 30 μm, mit einer Filterwirkung bis 2 μm. An den 10 Nylonnetzen sind, versetzt um 90°, jeweils zwei Perimeter Neodym-Magnete angebracht. Sie separieren die ferromagnetischen Bestandteile aus dem Anlagenwasser.
Der Körper und die Füße des DIRTMAG CLEAN (Inhalt 50 l) sind aus Edelstahl AISI 304. Die Anschlussmaße betragen beim Eingang 2" AG mit Überwurf, ausgangsseitig 2" IG. Der maximale Betriebsdruck beträgt 10 bar bei einem Temperaturbereich von 0 - 85°C. Über einen Anschluss können, bei Bedarf, Additive dem Heizungswasser beigemengt werden. Der empfohlene Volumenstrombereich liegt bei 5 - 15 m3/h, KV ist mit 45 m3/h angegeben.
Video: Caleffi DIRTMAGCLEAN® - Schlamm- und Magnetitabscheider für große Anlagen








