BRÖTJE: Reingeschaut - So funktioniert das Kit 65
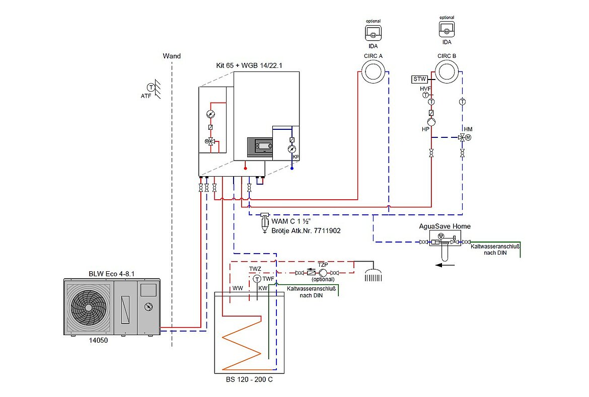
Ein Ein- oder Zweifamilienhaus für die spätere Wärmepumpen-Anbindung gemäß 65 %-Vorgabe vorrüsten: Mit den aufeinander abgestimmten BRÖTJE Komponenten kann dies eine Person ohne gesonderte Schulung erledigen, nahezu im Alleingang. Das Verbindungselement Kit 65 wiegt 21 kg und passt mit Maßen von 450 x 760 x 175 mm (HBT) exakt hinter den WGB-Kessel. Im Inneren des Gerätes befinden sich eine elektronisch geregelte Hocheffizienzpumpe Grundfos UMP 4, ein Schnellentlüfter sowie ein 3-Wege-Ventil. Zur Entkopplung der Volumenströme ist eine gedämmte Hybrid-Hydraulikeinheit integriert.
Seitenabdeckungen und Regelungsbox am Kit 65 lassen sich bei Bedarf demontieren, Systemkomponenten wahlweise nach links oder rechts ausrichten. Das Anschluss-Set umfasst ein Vor- und Rücklaufrohr zum Kessel mit Dämmung, Anschlussplatine für die Installation im Kessel, Verschlusskappen, Dichtungen und Endwiderstand. Ein eigenes Typenschild beschleunigt die Supportabwicklung.
Die witterungsgeführte Regelung übernimmt Statusüberwachung und Fehlererkennung für bis zu zwei Heizkreise plus Trinkwarmwasserbereitung. Wärmepumpe, Gasheizung beziehungsweise beide Wärmequellen werden automatisch zugeschaltet. Je nach Betriebsart arbeitet das System kosten-, verbrauchs- oder CO2-emissionsoptimiert. Die Bedienung erfolgt über das Farbdisplay IWR Alpha am Gas-Brennwertgerät. Komfortable Apps erlauben einen geführten Hydraulischen Abgleich und eine schnelle Inbetriebnahme.
Die Wärmepumpen-Schnittstelle Kit 65 ist kompatibel mit Gas-Brennwertkesseln WGB 14.1 – 22.1. In Kombination mit den Monoblock-Wärmepumpen der Serie BLW Eco.1 ergeben sich versorgungssichere Hybrid-Konstellationen, die bis zu 23,9 kW Gebäudeheizlast gesetzeskonform abdecken (Niedertemperaturbetrieb, Teillastpunkt „A“ – 7 °C, § 71h GEG). Das BRÖTJE Auslegungstool hilft hier bei der Planung. Eine Kit 65-Version zum Anschluss der Gas-Brennwertgeräte WBS und WMS soll 2024 erscheinen. Für 2025 plant BRÖTJE bodenstehende Gas-Brennwertgeräte mit Integrationsoption für das Kit 65.
Weitere Informationen zum Kit 65 stehen bereit unter www.broetje.de/de/produkte/kit-65.
Weitere News zu diesem Thema
